. . . E-Start - versch. Akkuboxen , die ELEKTRIK

Saxonette, Spartamet und andere
Benutzeravatar
Sporti
Site Admin
Beiträge: 5044
Registriert: Dienstag 14. Oktober 2008, 23:30
Wohnort: 42477 Radevormwald
Kontaktdaten:

Re: . . . E-Start - Teil-1 - versch. Akkuboxen , die ELEKTRIK

Beitrag von Sporti »

Hallo Bernd,
in einer sache möchte ich dich ein klitzekleinwenig ergänzen:
- STANDRÜCKLICHT , LED-Technik / Kondensatortechnik - Batterielos ( ab 10 Euro )
Die Rücklichter, die es in den Fahrradecken von Kaufhäusern gibt, sind Schrott. Hatte mal davon berichtet. Kontaktierung nicht richtig und der Kondensator vibriert ab und, und, und. Zu erkennen an einer grünen quadratischen Platine mit einer LED drauf und 10 Euro Preis.
Bild
Ich empfehle da auch etwas mehr beim Fachhändler zu investieren.

Sporti
Webseite: http://fambalser.wix.com/balser
3D-Saxonetten Druckteile: https://www.thingiverse.com/sportidesign/designs
Sporti's Garage Filme:https://www.youtube.com/channel/UCa9fKgCiEQWCgFEA7RKaXxg?view_as=subscriber
Benutzeravatar
fehntjer
Beiträge: 1279
Registriert: Mittwoch 22. Oktober 2008, 19:21
Wohnort: 26639 Wiesmoor
Kontaktdaten:

Re: . . . E-Start - Teil-1 - versch. Akkuboxen , die ELEKTRIK

Beitrag von fehntjer »

Moin,
wie Bernd schon geschrieben hat:
" Bei Rücklicht und Frontscheinwerfer achtet bitte auf PRÜFZEICHEN und Zulaßung ! "
( Nicht am Preis sparen und nachher doppelt Kaufen. )

Aber es gibt auch so was am Markt:
2 Stck. Dynamo-Rücklicht mit Standlichtfunktion mit 2 LED
Ebay 370334946906
Ja man muß sich intensiv am Markt umsehen und gegeneinander abwägen

Gruss Dieter
Dieser Text besteht aus 100% recycled Bits. Haltbarkeits Datum: s. Rückseite

Der Niederrheiner hat von nichts Ahnung kann aber alles erklären
frei nach Hans-Dieter Hüsch
https://i.ibb.co/YNBypqf/vlag-n-L-d-L.jpg
yogi

Re: . . . E-Start - Teil-1 - versch. Akkuboxen , die ELEKTRIK

Beitrag von yogi »

Hallo Bernd,
und alle anderen die hier ihren Betrag beigesteuert haben.

Eine unvergleichlich gute Dokumentation eines speziellen Themas.
Ich bin immer wieder erstaunt wie viel Arbeit und Mühe investiert wird um uns allen
Unwissenden die Technik unserer geliebten Saxonette nahe zu bringen.

Ich bin mir fast sicher, daß ich mit viel Aufwandt und Zeit auch die Geheimnisse unseres
liebsten Batelobjekts ergründet hätte, aber so ist es viel bequemer und anschaulicher.
Ich kann es bei Bedarf ausdrucken und meiner Sammlung von Reparaturunterlagen hinzufügen.

Vielen Dank dafür :danke: :danke: :danke:

Yogi (Jörg)
nicht mehr Mitglied

Re: . . . E-Start - Teil-1 - versch. Akkuboxen , die ELEKTRI

Beitrag von nicht mehr Mitglied »

Hallo ,
An der Hudson und neuen Saxonette befinden sich neue Stecker von AMP.
" Super-Seal " heissen die Teile.
Hatte einige bestellt in 2 und 3-Pol um bei problemen gerüstet zu sein.
( 1 Satz besteht aus Stecker und Gehäuse )
Für Zündspulenkabel habe ich noch die Messing Flachstecker zum Crimpen mitbestellt.

So brauchen wir nicht mit NÜSTERKLEMMEN rummurksen.

mfg Bernd

Bild
-
Bild
-
Bild
jonjon98

Re: . . . E-Start - versch. Akkuboxen , die ELEKTRIK

Beitrag von jonjon98 »

Moin Leute kann leider die ganzen Bilder der seite nicht sehen da dort nur irgendein download portal angezeigt wird.Muss aber unbeding diesen Bericht über das öffnen einer Akkubox lesen.Mfg Jonathan *THUMBS UP*
Dampframme

Re: . . . E-Start - versch. Akkuboxen , die ELEKTRIK

Beitrag von Dampframme »

Mittwoch 17. Februar 2010, 17:59 :/
didiwagener
Beiträge: 1154
Registriert: Dienstag 4. November 2008, 21:27
Wohnort: Oberhausen Rhld.

Re: . . . E-Start - versch. Akkuboxen , die ELEKTRIK

Beitrag von didiwagener »

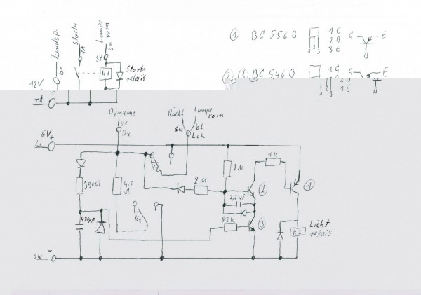
Kurzversion: Der rückwärtige Deckel der Box ist an mehreren Punkten verklebt.Man nehme nun z.B. einen Hammerstiel und führe den( nach Entfernung des Akkupacks) bis vor den Deckel.Mittels gut dosierten Schlägen vor den Deckel sollte dieser sich dann aus der klebenden Verbindung lösen.Einmal gelöst läßt sich dann auch die Platine ausschieben.
Innenschaltplan hier
Innenschaltplan Classic.jpg
Gruß Dietmar
„Es wird geliebt der Verrat,aber nicht der Verräter.“
Paulus
Beiträge: 5
Registriert: Dienstag 19. März 2024, 19:27

Re: . . . E-Start - versch. Akkuboxen , die ELEKTRIK

Beitrag von Paulus »

Hallo
der letzte Eintrag ist ja schon 10 Jahre her, und die Bilder am Anfang der Threats sind nicht sichtbar,
und ich hab meine Spartamet erst seid drei Jahren.
Jetzt wollte ich die Standlichtfunktion wieder herstellen.
Ich denke ich habe die Akkubox mit Schlüsselschalter und Standlicht, ähnlich der o.g. Zeichnung.
Jedoch ist beim Ausbau der lila Draht an der Platine abgegangen und ich finde nicht wo er angelötet war.
Weiß evtl. jemand wo der lila 6V Draht an der Platine aufgelegt ist?
didiwagener
Beiträge: 1154
Registriert: Dienstag 4. November 2008, 21:27
Wohnort: Oberhausen Rhld.

Re: . . . E-Start - versch. Akkuboxen , die ELEKTRIK

Beitrag von didiwagener »

Eigentlich ist das ja schon in der Zeichnung beschrieben . Mittiger Anschluß und Li für Lila .
„Es wird geliebt der Verrat,aber nicht der Verräter.“
Paulus
Beiträge: 5
Registriert: Dienstag 19. März 2024, 19:27

Re: . . . E-Start - versch. Akkuboxen , die ELEKTRIK

Beitrag von Paulus »

Hallo, vielen Dank für den Hinweis,
sorry, ich hatte nicht kapiert das der Anschluss zwischen + und - gemeint war.
vllt. passt dann der Plan doch nicht ganz zu meine Platine, denn zwischen + und - liegt ein roter Draht der zum Schlüsselschalter geht.
Und ein Schiebeschalter sitzt dahinter und es ist auch ein ... Transistor oder Festspannungsregler im TO 220 Gehäuse, an die Blechlasche angenietet
so etwa:
Dateianhänge
Bild_2024-03-31_202058807.jpeg
Antworten